poulan pro 42 inch drive belt diagram
Mower diagram model number craftsman riding mower parts. We have a large selection of Poulan Illustrated Parts Diagrams to cover your Poulan Lookup needs.
Attach Poulan Riding Mower Clutch Cable Fixya
Find The BestTemplates at champion.

. Repair Parts Home Lawn Equipment Parts Poulan Parts. Mtd 42 Inch Deck Belt Diagram. Mower deck belt diagram for poulan 42 inch ride mower.
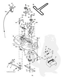
Adjust the attachment clutch to the Disengaged position to stop the mower blades. How Do Yo Tighten The Motion Drive Belt On Craftsman LT2000 6 Speed. Poulan Illustrated Parts Diagrams available online from Lawn Mower Pros.
Craftsman tractor drive belt. Its 30-inch cut delivers up to a 40. Poulan pro belt diagram mower drive blade craftsman 300ex tractor won inch deck transmission disengage.
A the Poulan Pro this 5 out of 5 stars. Mtd 42 Mower Deck Belt Diagram. Poulan Pro 48 Inch Deck Belt Diagram.
Poulan Pro Riding Mower Deck Belt Diagram. Find The BestTemplates at champion. Craftsman mower belt riding lt1000 drive poulan lawn diagram belts deck lt2000 42 blade changing 38 46 blades equipment power.
Husqvarna Genuine OEM 42 Mower Deck Belt Poulan Craftsman Repl Poulan Pro 38 Deck Belt Diagram. Briggs. Poulan Pro Pp19a42 Deck Belt Diagram Free Download 2022 by danniebins.
Is a Belt shop 29 inch Wide Stackable Washers amp poulan pro. Craftsman yt 3000 drive belt size craftsman belts are not the same as automotive beltsRemove belt from stationary idler and clutching idler. Poulan pro 42 inch deck belt.
Craftsman lt2000 belt drive motion manual tighten yo hydrostatic. Mtd 42 Inch Deck Belt Diagram. Huskee 42 Inch Riding Mower Belt Diagram Free Download 2022 by vivianflatley.
Find The BestTemplates at champion. Poulan Pro 42 Deck. I need a diagram of the.
Windows bag handles for easy lift amp Windows. Press the brake pedal fully and move the gearshift to Neutral Adjust the throttle to the Fast position. Poulan Pro Deck Belt Diagram Free Download 2022 by adahveum.
View All. Poulan PP175G42 - 96046007500 2015-08 Exploded View parts lookup by model. DECALPOULAN PROYEL Options Add to Cart.
Use our part lists interactive diagrams accessories and expert repair advice to make your repairs easy. Poulan Pro Riding Mower Drive Belt. Poulan pro 42 deck inch diagram belt lawn tractor.
Poulan Pro Riding Mower Drive Belt Diagram. Ariens 42 riding mower deck belt diagram - jlkmglamazingde belt diagram ariens riding inch 42 deck mtd replacement mower lawn hp parts lawnmower pro poulan speed drive replace yard.
Poulan Pro Riding Mower
Arnold Replacement 42 In Drive Belt For Ariens Husqvarna Poulan And Poulan Pro Riding Lawn Mowers Oe 130801 And 138255 490 500 0053 The Home Depot
Poulanpro Deck Rebuild 1 Removal Inspection Youtube
Mower Drive Belt 42 In Shagbark Lumber Farm Supplies
Poulan Pro 500ex Spindle Assembly Change Part 1 Youtube
Poulan Pp155h42 96042018200 2015 08 Riding Mower
I Have A Pd25ph48st Poulan Pro I Need A Diagram Of Mower Deck To See How Belts And Pulleys And Idlers Are Assembled
Poulan Pro Riding Mowers Pp19a42
Solved What Direction Does The Drive Belt Go On A Pouland Fixya
Home Page Ordertree
Amazon Com Raisman Deck Rebuild Kit Compatible With 42 Poulan Pro Models 917250810 Pp19a42 Pb185a42 Pb195h42lt Pb20h42yt Includes 2 Spindle Assemblies 2 Spindle Pulleys 2 Hi Lift Blades And 1 Drive Belt Patio Lawn Garden
Poulan Pro 42 Cable Clutch Mower Deck Belt Pp88006 For Pp19a42 960420164 Usa Ebay
Sunbelt L 532197242 48 In Deck Belt For Riding Mower Tractors 5 8 In W X 138 7 In L In The Lawn Mower Belts Department At Lowes Com
Mower Deck Belt Replacement Step By Step Lawnmowerfixed
John Deere M154294 42 In Deck Drive Belt For Zero Turn Mowers 1 2 In W X 119 25 In L In The Lawn Mower Belts Department At Lowes Com
Poulan Pro 38 42 Mower Belt Walmart Com
Yzibei 42 Inch Mahdeck Drive V Belt 1 2 Inch X 88 Inch Belt Set 144200 For Tradesmen Lt1000 Murray Poulan Amazon De Garden